Skip to Content
sales@waynecombustion.com
+1 (260) 425-9200
Find Parts
Find a Distributor
Careers
Products
Oil Burners
Gas Burners
Parts Search
Resources
Product Downloads
Find a Distributor
Industries
About Us
Industries
Portable Heat
Pressure Washers
Food Service Equipment
Industrial Ovens and Incinerators
Commercial HVAC & Boilers
Export and International Markets
Contact Us
Contact Us
sales@waynecombustion.com
+1 (260) 425-9200
Find Parts
Find a Distributor
Careers
HOME
Resources
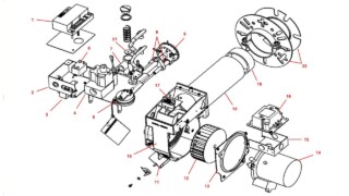
Exploded View Diagrams
Exploded View
Diagrams
MSR Diagram
EH Diagram
FH Diagram
HSG200 Diagram
HSG400 Diagram
EHG Diagram